
通用型张力仪,适合于化纤,纺织,电线电缆等行业
NT系列有10种张力范围从1.0-200.0cN 到1.0-100.0daN,不同量程测量头宽度不同。

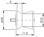
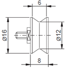
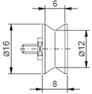
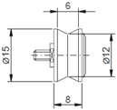
65MM宽测量头 116mm宽测量头 216mm 宽测量头
特点:
1.专利技术自动清零,仪表在任何姿态都可以自动归零,提高测量精度,方便测量。
2.配有线径补偿器,补偿线径不同产生的误差,提高测量精度
3.配有导线架和导向轮运动结构,易于捕捉被测材料。
4.带有滚珠轴承的V行槽铝制测量导轮。
5.坚固的防滑铝制外壳,抗电池干扰。
6.LIPO锂离子聚合物电池(可持续运行约10小时).
7.被测材料,导向轮,屏幕位于同一平面,测试中测试数据,导向轮和被测材料状态尽收眼底。
8.最多可以精确标定10种材料,配合线径补偿器,测试的线径范围更大。
9.全字符菜单设置功能,操作简单方便。
10.根据不同量程和需要,测量值显示单位可选择g ,kg, c N,N ,daN, lb
11.可记录测量过程中的最大值,最小值,峰值,平均值,还可记忆存储10个独立的测量值。
12.可编程设置趋势状态条最大值,最小值,清晰判断张力变化的范围,兼具机械式仪表趋势显示优点。
13.提供显示结果微调功能,现场测量的材料和标准的标定材料有轻微偏差,不需要重新标定即可显示准确值。
14.功能设置可以通过密码进行保护,提高设置安全性。
15. 百坦张力仪提供两种显示方式,兼顾电子张力仪读数精确和机械式张力仪趋势显示的优点。

数字式显示 数字显示加张力变化趋势条
型号NT
| 型号 | 张力范围 | 测量头宽度 | 测量线径范围 | 标定材料(聚酰胺单丝) | 是否包含线径补偿 |
NT-200 | 2.0-200.0 cN | 65mm | 0.05-0.3mm | 0.2mm | 是 |
| NT-500 | 5.0-500.0 cN | 65mm | 0.05-0.3mm | 0.2mm | 是 |
| NT-1000 | 10-1000 cN | 65mm | 0.1-0.5mm | 0.4mm | 是 |
| NT-2000 | 20-2000 cN | 116mm | 0.3-0.7mm | 0.4mm | 是 |
| NT-2500 | 25-2500 cN | 116mm | 0.3-0.7mm | 0.4mm | 是 |
| NT-5000 | 50-5000 cN | 116mm | 0.4-1.0mm | 1.2mm | 是 |
| NT-10K | 0.1-10.0daN | 116mm | 0.7-1.2mm | 1.2mm | 是 |
| NT-20K-F | 0.2-20.0daN | 116mm | 1.0-1.8mm | 1.8mm | 是 |
| NT-30K-F | 0.3-30.0daN | 216mm | 客户指定线径范围 | 客户指定材料 | 是 |
| NT-50K-F | 0.5-50.0daN | 216mm | 客户指定线径范围 | 客户指定材料 | 是 |
| NT-60K-F | 0.6-60.0daN | 216mm | 客户指定线径范围 | 客户指定材料 | 是 |
| NT-100K-F | 1-100daN | 216mm | 客户指定线径范围 | 客户指定材料 | 是 |
单位换算:1daN=10N =1.02kg 1cN=1.02g
可选附件
订货编码F
省力手柄
NT-1000-F, 20daN到100daN标配省力手柄
测量轮选项
标准导轮
最大限度:1000米/分钟
硬化铝材质。
UB导轮 1000米/分钟 硬化铝 选型编码 例如NT-1000-UB
TC导轮 1000米/分钟 表面涂覆陶瓷,钢材质 
NT 发货包括 张力仪 ,便携式仪表箱,充电器,中文说明书,合格证。
参数规格:
精度 (出厂校准材料)1%满量程(FS),(其它材料)3%FS.
显示更新频率 0.5秒
可选单位 gf, cN, N, kgf, daN,LB(不同量程可切换单位不同)
可调整范围 显示值可以按照现场要求以满量程1%的幅度进行±10步调整
最大线速度 1000m/min
可存储值 最大值,最小值,最大峰值,最小峰值,平均值
显示器 点阵式液晶显示屏
输出 可选无线WIFI输出,有线连接数字输出
外壳尺寸 76×46×275mm
电源 锂离子充电电池,连续工作约10个小时
工作温度 10-45℃,90%相对湿度或更少
附件 仪表,说明书,合格证,充电器,仪表箱
应用范围 绞线机,绕线机线切割机,碳纤维绕线设备,光纤缠绕设备,光缆生产备,玻璃纤维缠绕设备,钢帘线生产设备,轮胎生产设备,钢丝绳生产设备。